欢迎来到靖江市东雷电机有限公司官方网站!

裁断机厂家

产品分类

联系我们

靖江市东雷电机有限公司

手 机 :13951174505

地 址 : 靖江市城北园区纬二路56号



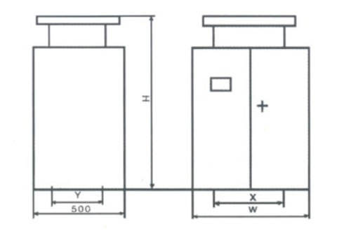
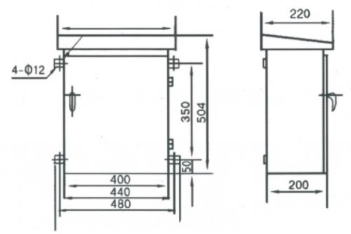
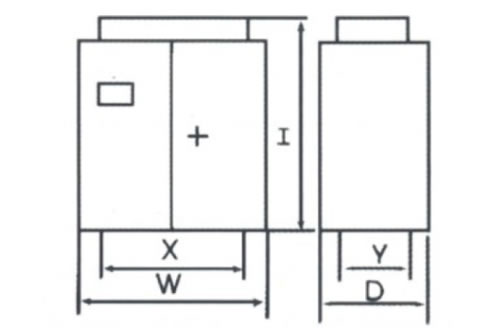
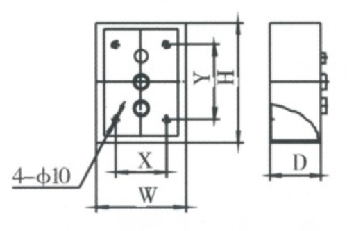
整流控制设备

您的当前位置: 首 页 >> 整流控制设备
  • 在线客服
  • 联系电话
    13951174505